vacuplus 排气装置具有轻量、坚固且易于操作的特点。该系列产品专为需要简易真空排气装置的客户设计,适用于中低端应用场景。vacuplus 产品线通过提供直观的产品组合,完善了我们现有的排气装置系列,其研发融合了七十余年真空自动化领域的技术积淀。
小巧紧凑的尺寸
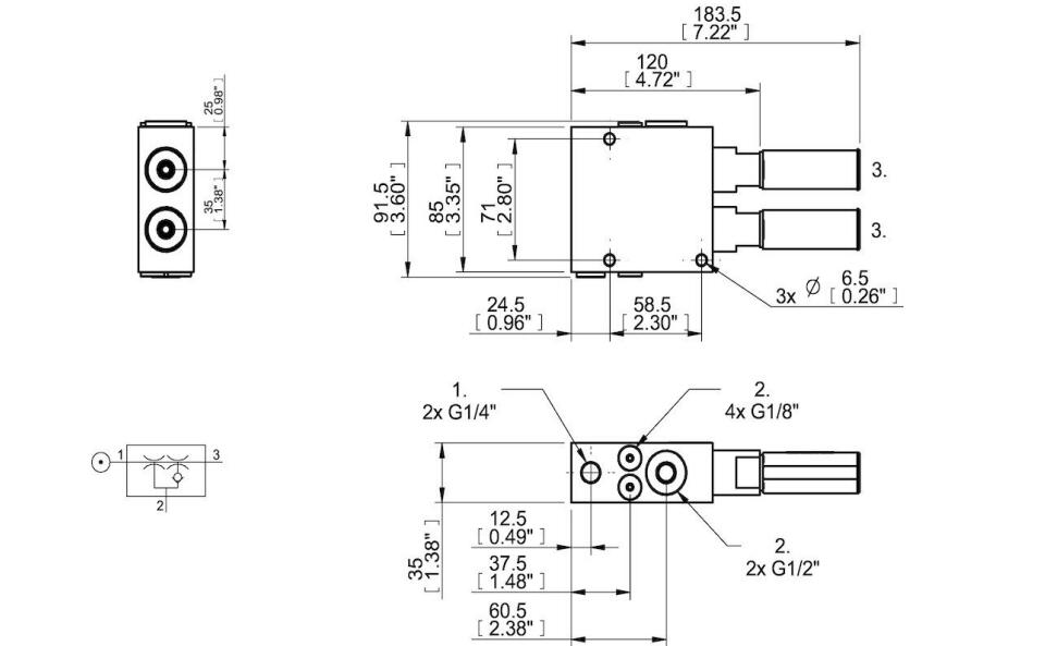
对称真空接口确保灵活安装
coax技术
0223798 vacuplus midi pi48-2 x2
0223799 vacuplus midi pi48-2 x2,附加止回阀
0223800 vacuplus midi si32-2x2
0223801 vacuplus midi si32-2 x2,额外止回阀
0223802 vacuplus midi xi40-2×2
0223803 vacuplus midi xi4o-2x2,额外止回阀
|
产地 |
瑞典 |
|
材料 |
铝、丁腈橡胶(nbr)、聚甲醛(pom)、不锈钢 |
|
温度范围 |
-10 至 50 ℃;14 至 122 ℉ |
|
max重量 |
418 g;14.74 盎司 |
|
噪音水平 |
63 至 73 dba |
|
max进料压力 |
0.7 mpa;101.53 psi |
|
进料压力 |
0.3 mpa |
|
空气消耗量 |
4 nl/s |
|
max真空度 |
90 kpa |
|
环境温度 |
20 ± 3 ℃;68 ± 5.5 ℉ |
|
标准大气压 |
101.3 ± 1.0 kpa;29.9 ± 0.3 inhg |
|
压缩空气质量 |
符合din iso 8573-1 4级标准 |
|
进气压力公差 |
± 0.02 mpa;± 2.9 psi |
|
真空流量/抽空时间精度 |
± 10 % |

金属增材制造、化工制造、汽车制造、电池制造、食品饮料、物流与仓储、包装行业、塑料制品、自动化
加拿大28 copyright© 2013-2023 上海连航机电科技有限公司 加拿大28的版权所有
地址:上海市宝山区沪太路1866号诺诚m7创意园b区211
电话 (tel.):400-135-1288 传真 (fax):400-135-1288 邮箱 (e-mail):info@linhorn.com
|
扫描微信二维码关注加拿大28