![]() |
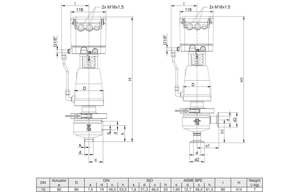
洁净度或可清洁性在众多行业中是核心考量,其重要性正日益凸显。无菌阀门以高性能满足高标准要求。在控制精度、流体特性及去除死角(尤其在夹紧点)方面,该系列无菌阀门的设计显著优于传统清洁级阀门。6051型无菌直角阀配备ehedg认证及集成式8049型定位器,适用于食品加工、生物技术及化妆品行业。所有接触介质部件均符合fda、usp vi级标准及(eg) 1935/2004和(eu) 10/2011法规要求。
ehedg认证
3a认证
阀门设计符合指令(ec) 1935/2004和(eu) 10/2011
符合fda标准
usp vi级
专为良好清洁性设计的整体结构
采用无孔不锈钢棒材制造
高调节比50:1及超大控制范围
维护简便,磨损部件少


特殊三元乙丙橡胶隔膜(工艺侧覆有聚四氟乙烯薄膜)将工艺腔室与阀门执行机构隔离
阀体采用无孔不锈钢1.4435棒材制造,经车削或电解抛光处理
peek材质的控制阀芯符合fda标准
通过阀体与执行器间的夹紧连接实现快速开启
紧凑型气动活塞膜片执行器,并配备经实践验证的数字式顶置式定位器(可选全不锈钢材质)。
限位开关
位置反馈
先导阀
|
产地 |
德国 |
|
产品品类 |
符合ehedg认证的无菌控制阀 |
|
连接方式 |
符合din 11850系列2标准的焊接端口 |
|
阀体材料 |
不锈钢1.4435 ra <0.6 µm |
|
控制塞/隔膜材质 |
|
|
peek控制塞 |
ra < 0.6 μm |
|
epdm隔膜带ptfe薄膜(流体侧) |
ra < 0.6 μm |
|
定位器 |
数字定位器,型号8049,两线制 |
|
执行器 |
活塞直径80 mm,配不锈钢活塞杆 |
|
弹簧 |
弹簧开式(适用于数字定位器或截止阀) |
|
流量特性 |
等百分比 |
|
kvs值 |
40 % 缩比 |
|
阀体材质 |
不锈钢1.4435 |
|
公称尺寸 |
dn 15 |
|
连接方式 |
焊接端口 din 11850 系列 2;焊接端口 asme bpe;焊接端口 iso 1127;三夹头接头(英寸制,符合 din 32676-c) |
|
公称压力 |
pn 16 |
|
隔膜 |
带ptfe薄膜的增强型epdm隔膜(流体侧) |
|
流体温度 |
-20 至 140 ℃ |
|
环境温度 |
|
|
数字定位器 |
-10 至 75 ℃ |
|
模拟定位器 |
-15 至 60 ℃ |
|
量程比 |
50 : 1 |
|
max真空度abs |
0.001 bar |
|
迟滞量 |
< 0.5 % |
|
内表面粗糙度 |
ra < 0.6 µm |
|
电解抛光 |
ra < 0.4 µm(阀体可选) |
|
外表面粗糙度 |
ra < 1.2 µm |

食品加工、生物技术、化妆品行业
加拿大28 copyright© 2013-2023 上海连航机电科技有限公司 加拿大28的版权所有
地址:上海市宝山区沪太路1866号诺诚m7创意园b区211
电话 (tel.):400-135-1288 传真 (fax):400-135-1288 邮箱 (e-mail):info@linhorn.com
|
扫描微信二维码关注加拿大28