![]() |
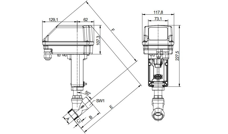
7210型紧凑型角座电动阀,适用于中性及腐蚀性介质的开关控制操作。可选配失效防护功能版本。角座阀具备使用寿命长、开关可靠、高控制的特性。由于阀门执行机构相对于管道呈倾斜布置,紧凑型角座开关阀与调节阀即使在狭窄的空间内也能安装运行。阀体可与多种执行机构类型组合,广泛适用于工业管道系统的各类应用场景。
适用于中性及腐蚀性介质的开关型与调节型电动阀门
紧凑型设计
自动校准功能
轻度污染介质不影响运行
工作温度范围:-50 至 220 ℃
工作压力高达 40 bar
多种执行器选项
带控制功能的执行器可选配安全定位装置


定位电子装置
联轴器
阀头部
阀杆 1.4571,滚压处理
执行器 0.8 kn
填料由填充ptfe制成,自调节
阀座密封件 ptfe或替代材料
控制阀芯
定位器电子元件
限位开关
位置反馈器
可选配失效防护功能
|
产地 |
德国 |
|
主体材料 |
不锈钢1.4408 |
|
公称尺寸 |
dn 25;1/4 至 3 " |
|
连接方式 |
|
|
管道螺纹符合iso 228-1 |
dn 8 - 80 / 1/4 至 3 " |
|
npt螺纹 |
dn 8 至 80 / 1/4 至 3 " |
|
焊接端 |
dn 15 至 80 / 1/2 至 3 " |
|
卡箍连接 |
dn 15 至 80 / 1/2 至 3 " |
|
公称压力 |
pn 40 |
|
max流体温度 |
-30 至 200 ℃,可选 -50 至 220 ℃ |
|
max粘度 |
600 mm²/s (600 cst) |
|
max真空度abs |
0.001 bar / 0.015 psia |
|
max底部填料工作压力 |
12 bar / 174 psi |
|
max三夹头连接工作压力 |
16 bar / 235 psi |
|
填料泄漏量 |
依据din en iso 15848-1及vdi 2440定义的ta-luft标准测试 |
|
设定点范围 |
(0)2 至 10 v / (0)4 至 20 ma |
|
电源频率 |
50/60 hz |
|
死区 |
全行程的± 0.6 % |
|
重复精度 |
全行程的± 0.3 % |
|
限位开关 |
2个 |
|
max开关容量 |
24 v ac/dc 200 ma;250 v ac/dc 1 a |
|
驱动速度 |
2 s/mm |
|
驱动推力 |
800 n |
|
防护等级(en 60529) |
ip 65 |

化学生产、食品加工、瓶装灌装、钢铁、聚合物、造纸、太阳能电池、轮胎制造
加拿大28 copyright© 2013-2023 上海连航机电科技有限公司 加拿大28的版权所有
地址:上海市宝山区沪太路1866号诺诚m7创意园b区211
电话 (tel.):400-135-1288 传真 (fax):400-135-1288 邮箱 (e-mail):info@linhorn.com
|
扫描微信二维码关注加拿大28