![]() |
相较于其他阀门设计,夹管阀中仅有较少部件与操作介质接触。其长效使用寿命、可靠性、防护性及抗腐蚀性与抗磨损性,结合顶置式数字定位器的高控制性能,造就了这款维护需求低、运行成本低廉的控制阀。夹管阀适用于化工、化妆品、环境技术、水处理、电镀及食品饮料生产领域的截止与控制。无缝管夹管阀满足高要求,为传统阀门设计提供了创新现代的替代方案。金属阀体夹管阀适用于清洁要求场景;其直通阀体结构在处理含杂质、磨蚀性及高粘度介质时尤具高作用。要实现介质流的隔断,莫过于阀门与流体不接触。7071型微型夹管阀正是基于此原理,适用于小公称管径。这款紧凑型夹管阀通过气动执行器收缩无缝管内的介质流,或由弹簧复位装置释放流体。其简易的工作原理使其成为化工、食品等行业众多关键应用的适配选择。
坚固简洁的设计
处理受污染、磨蚀性及糊状介质,磨损小
准确控制
可靠的关闭功能
高密封性,低泄漏率
高流量系数(kv)值
维护检修简便
无流体偏转

高性能聚合物的弹性作为节流装置
气动执行器通过特殊设计的压块压缩固定在阀体内的软管或插入的无端软管
执行器内的弹簧复位作用及工作流体本身的压力,夹管阀会移动至相应的防护位置或预设的阀门位置
|
产地 |
德国 |
|
订购号 |
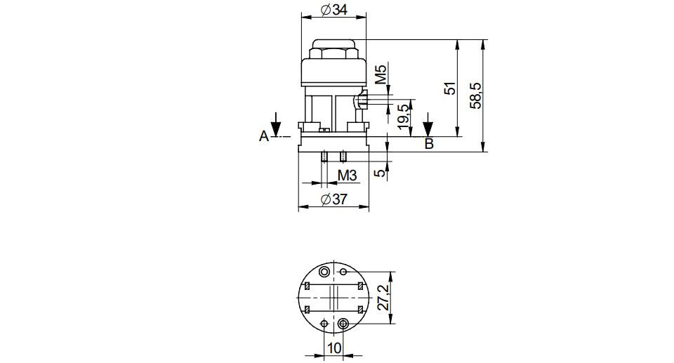
4 005 038 |
|
管孔尺寸 |
2;4;6 |
|
管外径 |
4;6;9 mm |
|
管材硬度 |
<55 shore |
|
工作压力 |
0 至 2;0 至 1.5;0 至 1 bar |
|
先导压力 |
1 bar |
|
max先导压力 |
6 bar |
|
先导接口螺纹 |
m 5 |
|
执行器 |
气动活塞 ø 25 mm |
|
流体温度 |
-30 至 100 ℃ |
|
环境温度 |
-30 至 60 ℃ |
|
开启切换时间 |
0.05 秒 |
|
关闭切换时间 |
0.2 秒 |
|
工作介质粘度(根据孔口尺寸) |
12 至 20 °e(90 至 150 cst) |
|
重量 |
65 g |

化工、化妆品、环境技术、水处理、电镀、食品饮料生产
酸、碱、海水、气体、蒸汽、液体
加拿大28 copyright© 2013-2023 上海连航机电科技有限公司 加拿大28的版权所有
地址:上海市宝山区沪太路1866号诺诚m7创意园b区211
电话 (tel.):400-135-1288 传真 (fax):400-135-1288 邮箱 (e-mail):info@linhorn.com
|
扫描微信二维码关注加拿大28